
DTA-2178 高密度,半高8x12G SDI/ASI-PCIe卡
DekTec发布了迄今为止密度最高的接口产品。DTA-2178在一个半高PCIe卡上有8个双向12G-SDI/ASI端口以及genlock端口,可以满足1RU PC在尺寸和功率方面的应用。该卡使用微型BNC连接器,可像标准BNC一样锁定。DTA-2178每SDI/ASI端口的价格低廉,极具吸引力。
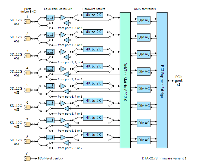
可以从软件独立配置所有8个端口。 端口1和5支持完整的12G,允许通过单链路12G-SDI或四链路3G-SDI接收或播放两个4K流。 每个端口通过向下转换为3G来支持12G-SDI输入,从而可以监视多达8个4K!

DTA-2178-半高PCIe卡上的八个12G-SDI / ASI端口。
DTA-2178支持所有传输模式,包括3G-SDI的级别A和B,以及4K信号的2SI /象限模式。对于每个输入,所有行和所有样本都将直接传递给CPU,而无需修改或遗漏。这使开发人员可以恢复或流式传输任何类型的音频,视频和辅助数据而不会受到影响。这些功能使DTA-2178对视频制作,发行和贡献设备的开发人员非常有吸引力。
所有端口还支持ASI,从而允许混合压缩/未压缩应用,例如具有2x 12G-SDI输入+ ASI输出的双4K编码器,或具有ASI输入+ 2x 12G-SDI输出的4K解码器。
下图显示了一个框图,该框图显示了DTA-2178上加载的默认固件变体。该固件具有八个独立的端口,每个端口均可配置为ASI或SDI输入或输出。每个端口还可以充当另一个端口的双缓冲副本,以复制同一输出信号。可以将配置为输出的端口同步到双/三级同步锁相输入端口。

DTA-2178完成了DekTec用于PC的新系列SDI / ASI接口卡Colorado系列。 用户可以选择2端口,4端口或8端口卡,所有这些卡均由相同的驱动程序和SDK控制。 支持DekTec的软件应用程序StreamXpress,StreamXpert和SdEye。
每张卡的价格都非常具有竞争力。 如果要将这些卡大量集成到产品中,则可以提供更好的价格。 请与我们联系以获取相关报价。